| 产品型号 | 电压数 | 最大电流数 | 导体数 | 护套类型 | 护套颜色 | 标准 |
|---|---|---|---|---|---|---|
| JT003 | 250V | 16A | 3 | pvc塑料,橡胶 | 任何颜色均可 | sheet DIN 49441-R2 |
| 尾部处理 | 起订量 | 付款方式 | 运输方式 | 交货期限 | 包装方式 | 配线标准 |
| 任何处理均可 | 2000pcs | 发货前付清 | 海运,陆运,空运 | 15天 | 标准纸箱 | 如下 |
欧洲电源线 16A 3 芯 CEE 7/7 Schuko直角插头欧盟德国 VDE 认证 CE AC电源线
H03VV-F 3X0.5-0.75(MAX 2M)
H05VV-F 3×0.75-1.5
H03RT-F 3×0.75-1.5
H05RN-F 3×0.75-1.0
H05RR-F 3×0.75-1.5
H07RN-F 3×1.0-1.5
3-5pcs免费
技术标准
欧洲CEE 7/7 SCHUKO 3P
额定电流
16A
额定电压
250V
导体数
两相,三芯
外护套材质
50P PVC塑料
插头插座金属材质l
镀镍黄铜
防火等级
UL 94V-0
颜色
定制
电源线长度
任意长度
尾部可配
延长线插座
认证
VDE
环保证书
RoHS, REACH
配线
起订量
2000pcs
样品
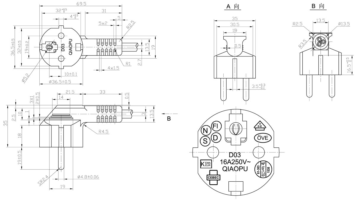
CEE 7/7 Schuko插头图纸
欧洲CEE7/7 Schuko电源线注塑过程
Schuko插头与NF法式延长线插座
Schuko插头与德式延长线插座
欧洲CEE7 / 7 Schuko电源线插头,带接地,不可拆卸,模制2极,带双接地触点系统 VDE认证 额定电流高达 16A 250V 设计用于 3 芯家用应用电源线,可配IEC C5 、IEC C13 、IEC C15 、IEC C19 标准IEC 60320 连接器, 我们的欧洲VDE电源线产品采用高质量和RoHS / REACH标准制成。
Schuko电源线直角插头交流电源线定制长度,颜色
插头类型:欧洲Schuko直角插头3芯接地
标准:CEE7标准表7-7
认证:VDE,CEBEC,DEMKO, F1,IMQVDE,KEMA,NF,OVE,SEMKO
电流电压:16A,250V
极数和电线数:2极3芯
电源线长度:1.0米,1.5米,1.8m,定制长度
终端选项:ROJ、接线端子、IEC 320 C13,IEC 320 C5,IEC 320 C15,IEC 320 C19
质量体系:ISO9001:2008
颜色:白色和黑色是常规的,自定义颜色
绝缘层材料:聚氯乙烯、橡胶
插头支架材料: PBT, ABS
插针材料:镀镍黄铜
电源线规格:标准和定制
电源线外护套材料:聚氯乙烯,橡胶,TPE,纺织品
环境认证:RoHS、REACH、PAHS
型号:D04, JT003-B
欧盟德国型欧式插头,电流16A,电压250V,根据CEE7/7(Schuko直角插头)和IEC884-1标准生产,大部分采用白色,黑色圆形电源线注塑而成,连接器标准IEC 60320(320)C13,C5,C15,C19连接器,末端接线端子,欧洲CE VDE(欧洲16 A / 250 V)和兼容类型(E,F型),与额定电流为16安培的三芯接地直角插头连接, CEE 7/7定义的 250 V。欧洲AC插头和插座是大多数欧洲国家最常用的电源插头类型。
欧式三芯 16A Schuko直角插头CEE7/7电源线为黑色和白色作为标准颜色。提供灰色和自定义颜色。定制长度和其他欧洲AC电源线。末端接线端子,自定义剥皮。



欧洲电源线Schuko插头配漏电保护器GFCI

欧洲德国Schuko插头电源线配漏电保护器GFCI
经欧洲德国VDE标准VDE认证,最大电流16A,电压250V,按德国SCHUKO CEE7/7(欧插)和IEC884-1标准生产,适用于大多数采用两相欧式电源线的小家用电器,欧式插头与家用电器连接。
批准:欧洲三芯 16A Schuko直角插头CEE7/7电源线欧盟德国国际VDE认证CE电源插头符合比利时CEBEC,丹麦DEMKO,芬兰FI,意大利IMQ,德国VDE,荷兰KEMA,法国NF,奥地利OVE,瑞士SEMKO认证。RoHS 和 REACH 环境认证。
可用各类对接端子
普通剥线、开线和 ROJ
我们制造和供应欧式三芯 16A Schuko直角插头CEE7/7 2极三芯 AC接地插头电源线,定制颜色,另一端可以剥线,ROJ具有定制长度。

常规接线端子
欧式三芯 16A Schuko直角插头CEE7/7 2极三芯 AC接地插头电源线注塑而成,另一端可以用接地环端子,带热缩或尼龙绝缘的U型端子等端子铆接。

IEC 60320 连接器
欧洲三芯 16A Schuko直角插头CEE7/7电源线连接到IEC 320 C13电脑电源线和IEC 320 C19PDU专用电源线是欧洲电源线的常规款式,带有IEC 320连接的AC电源线。
|
IEC 60320 C13直插电源线 |
IEC 60320 C13右弯电源线 |
|
IEC 60320 C13带锁电源线 |
IEC 60320 C13防水电源线 |
|
IEC 60320 C15电源线 |
IEC 60320 C19电源线 |
包装
欧洲三芯 16A Schuko直角插头CEE7/7 2极三芯 AC接地插头电源线散装出口纸箱,托盘。
舜灏制造商和供应在欧洲和世界上所有国家使用的AC电源线。我们广泛而完整的欧洲电源线系列包括电源插座、插头、防风雨插座、插座、多个插座、电源线和插头适配器。联系我们获取欧洲AC电源线,作为中国领先的欧洲电源线制造商和供应商,我们所有的欧洲电源线均由VDE,CE认证的高质量注塑而成,符合Rohs和Reach标准。