| 产品型号 | 电压数 | 最大电流数 | 导体数 | 护套类型 | 护套颜色 | 标准 |
|---|---|---|---|---|---|---|
| YA-3/YA-3Z | 250V | 10A | 3 | pvc塑料 | 任何颜色均可 | 证书号:Q061344 |
| 尾部处理 | 起订量 | 付款方式 | 运输方式 | 交货期限 | 包装方式 | 配线标准 |
| 无 | 5000pcs | 发货前付清 | 海运,陆运,空运 | 15天 | 纸箱 | 如下 |
澳大利亚标准三芯插头电源延长线,定制长度/颜色,SAA认证
H05VV-F 3G1.0-1.5mm2
3-5pcs免费
技术标准
澳大利亚AS/NZS 3112 3P
额定电流
10A
额定电压
250V
导体数
两相,三芯
外护套材质
50P PVC塑料
插头插座金属材质l
镀镍黄铜
防火等级
UL 94V-0
颜色
定制
电源线长度
任意长度
插头可配
澳大利亚延长线插座
认证
SAA
环保证书
RoHS, REACH
配线
起订量
2000pcs
样品
SAA认证的澳大利亚电气延长线,具有SAA认证 额定电流高达10A 250V;我们的澳大利亚 SAA 延长线产品符合 AS/NZ 3112 标准,专为任何澳大利亚三脚延长线应用而设计,采用薄型人体工程学设计,符合 RoHS 和 REACH 标准。
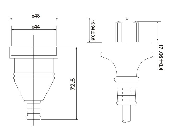
澳大利亚延长线图纸
澳大利亚三芯电源延长线
插头类型:澳大利亚三芯插头
插座:三芯单位插座
标准:AS/NZS 3112
认证:SAA
电流电压:10A,250V
导体数量:两相,三芯
电源线长度:5米,10米,20米,或者定制长度
质量体系:ISO9001:2008
颜色:白色和黑色正常,自定义颜色
电源线绝缘材质:PVC,橡胶
插头支架材料:PBT,ABS
插片材料:镀镍黄铜
电线规格:标准规格或者定制规格
电源线外护套材料:PVC,橡胶,TPE,纺织品
环境认证:RoHS、REACH、PAHS
型号:D06/D06-Y
|
澳大利亚白色延长线 |
澳大利亚黑色延长线 |
延长线生产商
定制长度/颜色延长线,可扩展范围并更轻松地使用电源插座,非常适合家庭、家庭装修项目和户外工作变得更加容易。使用鸿旺延长线插入电钻、砂光机、圆锯或其他电动工具,轻松在工作空间中移动。等等。母连接器连接到设备的电源线;公连接器插入标准插座 延长线还有助于确保草坪护理和其他项目的灵活移动性,例如使用电动高压清洗机清洁甲板或电动割草机和除草机这将为您的下一次在后院种的聚会准备。
为您选择颜色和长度
舜灏延长线有黑色或橙色,便于与周围的装饰环境颜色协调。我们还可以生产各种尺寸的延长线。从 3 英尺、6 英尺、10 英尺、15 英尺、20 英尺或 25 英尺长(每个单独出售)中进行选择,以适应所需的特定长度。
延长线定制包装
纸卡、印刷物和纸箱上的定制包装是澳大利亚延长线的普通包装

舜灏生产和供应延长线,供澳大利亚和世界所有国家使用。我们广泛而完整的澳大利亚产品线包括轻型、中型、重型延长线和带灯的电源延长线。联系我们获取澳大利亚新西兰延长线 作为中国领先的延长线制造商和供应商,我们所有的AU延长线套件均已获得SAA认证,符合Rohs和Reach标准。