| 产品型号 | 电压数 | 最大电流数 | 导体数 | 护套类型 | 护套颜色 | 标准 |
|---|---|---|---|---|---|---|
| CL-3 | 125V | 10/13/15A | 3 | PVC塑料 | 任何颜色均可 | NEMA 5-15P,CSA CAN/CSA-22.2 No.21-95 |
| 尾部处理 | 起订量 | 付款方式 | 运输方式 | 交货期限 | 包装方式 | 配线标准 |
| 任何处理均可 | 2000pcs | 出货前付清 | 海运,陆运,空运 | 15天 | 国内纸箱 | 如下 |
美国电源线(美式电源线)NEMA 5-15P 美国 UL 加拿大 cUL 认证AC电源线插头电线
18/3 SJTW/SJTOW/SJTOOW STW/STOW/STOOW SPT-2
3-5pcs免费
技术标准
美国UL62 NEMA 5-15P
额定电流
15A
额定电压
125V
导体数
两相,三芯
外护套材质
50P PVC塑料
插头插座金属材质l
镀镍黄铜
防火等级
UL 94V-0
颜色
定制
电源线长度
任意长度
插头可配
认证
UL,CUL,CSA
环保证书
RoHS, REACH
配线
SJT/SJTO/SJTOO ST/STO/STOO SPT-3 HPN
16/3 SJTW/SJTOW/SJTOOW STW/STOW/STOOW SPT-2
SJT/SJTO/SJTOO ST/STO/STOO SPT-3 HPN
14/3 SJTW/SJTOW/SJTOOW STW/STOW/STOOW SPT-3
SJT/SJTO/SJTOO ST/STO/STOO HPN
起订量
2000pcs
样品
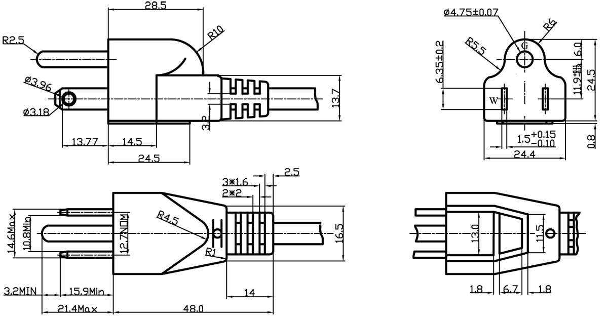
插头图纸
NEMA 5-15P 美国三芯电源线插头,通过 UL CSA 认证 额定电流高达 15A 125V 按照 UL CSA 标准制造,专为标准 3 芯北美家庭应用而设计,可配 IEC C5 、IEC C13、IEC C15、IEC C19IEC 60320 国际电源连接器。我们的美国电源线完全注塑而成,质量上乘,符合RoHS / REACH环境要求。
美国电源线(美标电源线)NEMA 5-15P
插头类型:美国3芯接地插头
标准:NEMA 5-15P
认证:UL、cUL
电流:15A,125V
极数和电线数:2极3芯
电源线长度:1.0米,1.5米,1.8m,定制长度
终端选项:ROJ,接线端子,IEC 320 C5,C13,C15,C19
质量体系:ISO9001:2008
颜色:白色和黑色正常,自定义颜色
电源线绝缘材质:PVC,橡胶
插头支架材料:PBT,ABS
插片材料:镀镍黄铜
电线规格:标准和定制
电源线外护套材料:PVC,橡胶,TPE,纺织品
环境认证:RoHS、REACH、PAHS
型号:YY-3,JM-3
插头标准 美国 NEMA 5-15P 插头 最大额定电流 15A 最大电压 125V 极数和电线数 2 极,3 线 接地 B 型插头,连接器标准 IEC 60320 (320) C-13、C-13 锁定、C-19、C-19 锁定、C-5、C-15、末端接线端子。



美国电源线 NEMA 5-15P 是黑色和白色作为标准颜色。提供灰色和自定义颜色。定制长度和重型美国电源线,AC电源线可用。末端接线电子,自定义剥皮。
GFCI 电源线漏电保护器
GFCI 水疗电源线采用无障碍的直插式 GFCI,而不是笨重的直角设计。更容易插入有盖的户外插座。几乎任何120V热水浴缸的更换线,包括造梦者,伯利兹,LifeCast,Durasport,Comfortline,Freeflow,Lifesmart,Intex和许多其他水疗中心。


可用对端端子
普通剥线、开线和 ROJ
我们制造和供应美国电源线NEMA 5-15P,定制颜色,另一端可以剥离,ROJ具有定制长度。

公母电源线末端接线端子
美国电源线NEMA 5-15P,一端用NEMA标准片状插头注塑,反面可以用接地环端子,带热缩的U型端子或尼龙绝缘等端子类型端接。


IEC 60320 连接器
美国电源线NEMA 5-15P配IEC 320 C5笔记本电脑,IEC C13计算机电源线,并采用IEC C19注塑为PDU电源线,是带有IEC连接器的美国AC电源线的普通款式。

|
IEC 60320 C13 直头电脑品字尾电源线 |
IEC 60320 C13 弯头电脑品字尾电源线 |
|
IEC 60320 C13 自锁电脑品字尾电源线 |
IEC 60320 C13 防水电脑品字尾电源线 |
|
IEC 60320 C15 凹槽电脑品字尾电源线 |
IEC 60320 C19 电脑品字尾电源线 |
包装
美国电源线NEMA 5-15P散装出口纸箱,托盘。

舜灏制造和供应AC电源线,用于美国,加拿大和世界所有国家。我们广泛而完整的美国电源线系列包括电源插座、插头、防雨插座、插座、多个插座、电源线和插头适配器。联系我们获取北美电源线,作为中国领先的美国电源线制造商和供应商,所有美国电源线均通过 UL、cUL 认证,符合 Rohs 和 Reach 标准。