印尼SNI CEE7/7型插针4.8mm 16A插头配IEC 60320 C13电源线
印尼SNI CEE7/7型插针4.8mm 16A插头配IEC 60320 C13电源线
印尼SNI CEE7/7型插针4.8mm 16A插头配IEC 60320 C13电源线
产品型号电压数最大电流数导体数护套类型护套颜色标准
JF-03/ST3 250 10 3 pvc 定制 IEC 60884
尾部处理起订量付款方式运输方式交货期限包装方式配线标准
任意处理 2000pcs 预付30%,余额发货前付清 海运,陆运,空运 15天 标准纸箱 如下

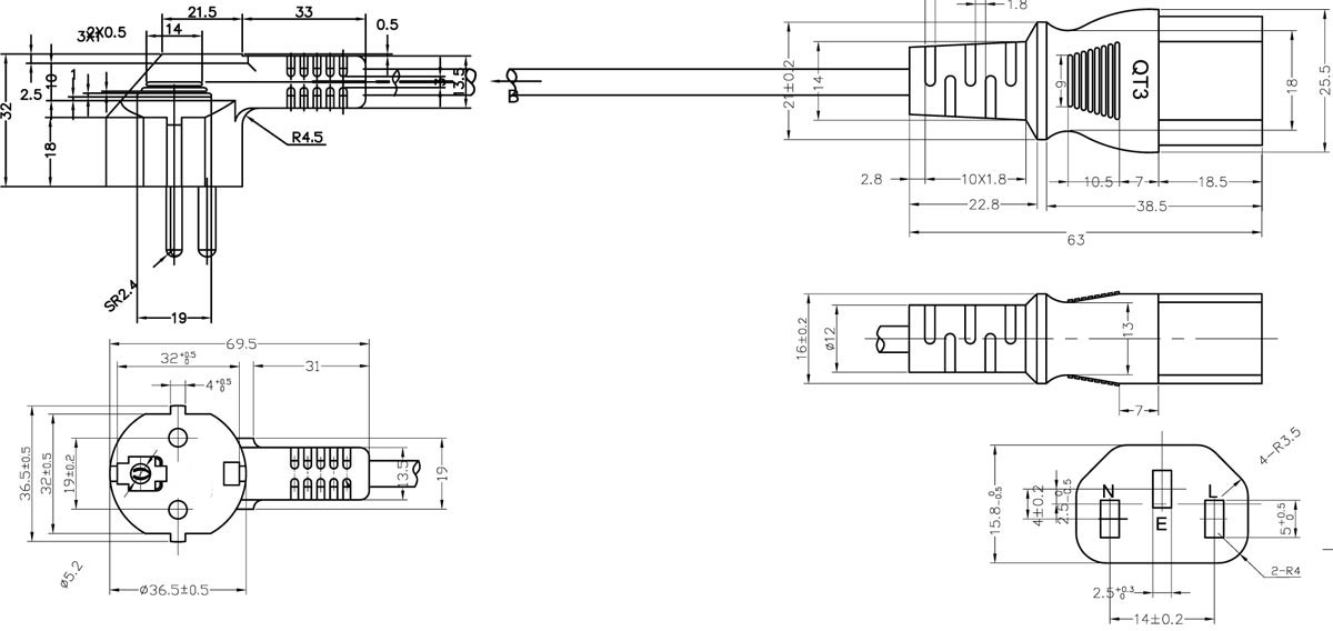
三芯16ASNI 印尼插头配IEC 60320 C13电脑品字型电源线

技术标准 印尼CEE 7/7 3P
额定电流 16A
额定电压 250V
导体数 两相,三芯
外护套材质 50P PVC塑料
插头插座金属材质l 镀镍黄铜
防火等级 UL 94V-0
颜色 定制
电源线长度 任意长度
尾部可配 IEC 60320 C13印尼
认证 SNI
环保证书 RoHS, REACH
配线

H03VV-F 3G0.5-0.75mm2

H05VV-F 3G0.75-1.0mm2

起订量 2000pcs
样品

3-5pcs免费


电源线图纸


CEE 7/7 三芯SNI插头16A/250V配IEC 60320 C5米老鼠尾梅花尾长度颜色均可定制

SNI印尼三芯插头配IEC 60320 C13品字尾电源线


印度尼西亚 Sucofindo SNI 认证 3 芯 16A 250V 插头,采用 IEC 60320 C13 10A 连接器。这些IEC C13电源线通常用于各种应用,包括计算机,便携式电子产品,家用应用,充电器,厨房电器和游戏系统,如PlayStation II和Wii。提供三芯公插头或IEC 60320标准插头版本,国际插头是更流行的电源线样式。

Share:

在线留言
相关产品
cas号查询
CoryRight © 1997-2025 嫩草二三切换线路转嫩草 浙ICP备2022034526号